H2 Series®
Ventile
H2 Series AV-NO-1200
2/2-Wege Ventil
NO - Ventil in Ruhestellung geöffnet
2/977-B8-1300-8013-TT-TÜV
Direkt-druckgesteuertes Sitzventil. Für den Betrieb ist keine Mindestdruckdifferenz notwendig. Bei Aktivierung wird der Ventilsitz direkt geschlossen.
Artikelnummer: H2S-AVNO-1200
Technische Daten
Steuerungsart: Direktgesteuert,
keine Druckdifferenz erforderlich
Konstruktion: Sitzventil mit Tellerdichtung
Anschluss (IN/OUT): Innengewinde; 9/16-18 UNF (Standard); 7/16-20 UNF, 13/16-16 UNF (Option)
Einbaulage: Antrieb aufrecht oder waagerecht
Druckbereich: 0-1.200 bar
Sitznennweite: 8.0 mm
Medium: Gasförmiger Wasserstoff
KV-Wert: 1.0 m³/h
Gewicht: 5.3 kg
Temperaturbereich: Medium (-45°C – +80°C), Umgebung (-20°C – +60°C)
Ventilgehäuse: Edelstahl 1.4404
Metallische Innenteile: Edelstahl 1.4301
Dichtung: Metallisch
Antrieb: Aluminium, EPDM Dichtung
Pilotanschluss: G 1/8 auf 6 mm hose
Steuerdruck (AIR): 6 – 10 bar inerte gasförmige Medien
Druckgerät (PED): Type Approval by TÜV
Ex-Schutz (ATEX): II 2G Ex h IIC T6…T3 Gb X
Zolltarifnummer: 84812090
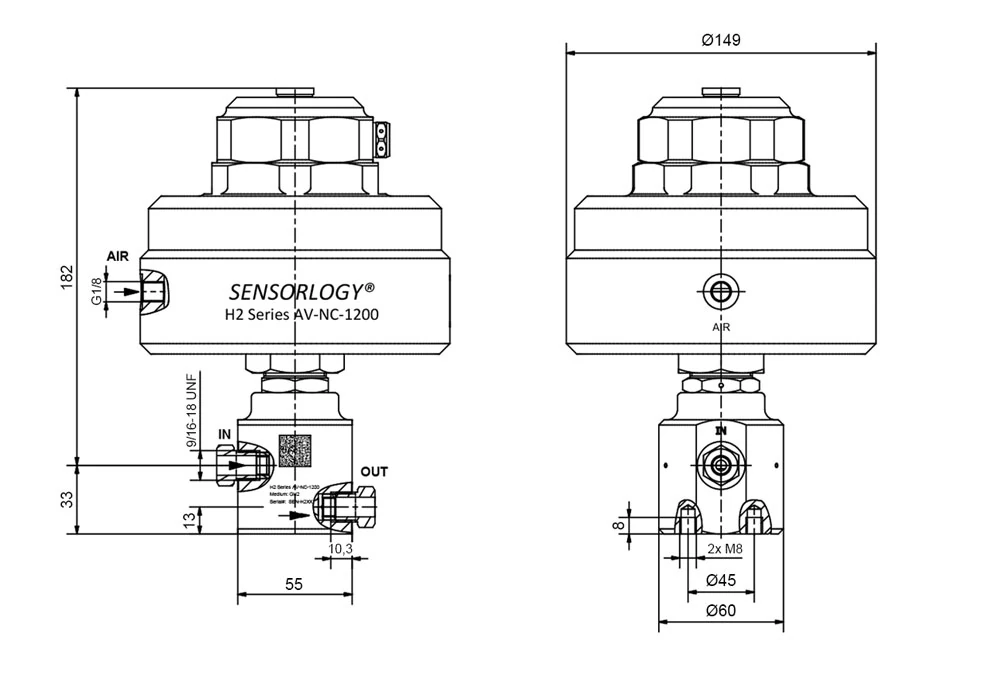
H2 Series AV-NC-1200
2/2-Wege Ventil
NC - Ventil in Ruhestellung geschlossen
2/977-B8-1300-7013-TT-TÜV
Direkt-druckgesteuertes Sitzventil. Für den Betrieb ist keine Mindestdruckdifferenz notwendig. Bei Aktivierung wird der Ventilsitz direkt geöffnet.
Artikelnummer: H2S-AVNC-1200
Technische Daten
Steuerungsart: Direktgesteuert,
keine Druckdifferenz erforderlich
Konstruktion: Sitzventil mit Tellerdichtung
Anschluss (IN/OUT): Innengewinde; 9/16-18 UNF (Standard); 7/16-20 UNF, 13/16-16 UNF (Option)
Einbaulage: Antrieb aufrecht oder waagerecht
Druckbereich: 0 – 1.200 bar
Sitznennweite: 8.0 mm
Medium: Gasförmiger Wasserstoff
KV-Wert: 1.0 m³/h
Gewicht: 5.5 kg
Temperaturbereich: Medium (-45°C bis +80°C), Umgebung (-20°C bis +60°C)
Ventilgehäuse: Edelstahl 1.4404
Metallische Innenteile: Edelstahl 1.4301
Dichtung: Metallisch
Antrieb: Aluminium, EPDM Dichtung
Pilotanschluss: G 1/8 auf 6 mm hose
Steuerdruck (AIR): 6 – 10 bar inerte gasförmige Medien
Druckgerät (PED): Type Approval by TÜV
Ex-Schutz (ATEX): II 2G Ex h IIC T6…T3 Gb X
Zolltarifnummer: 84812090
H2 Series CV-2W-1200
2-Wege Rückschlagventil
3/212-B8-1300-TT-TÜV
Artikelnummer: H2S-CV2W-1200
Technische Daten
Steuerungsart: –
Konstruktion: –
Anschluss (IN/OUT): Innengewinde; 9/16-18 UNF (Standard); 7/16-20 UNF, 13/16-16 UNF (Option)
Einbaulage: aufrecht oder waagerecht
Druckbereich: 0.5 – 1.200 bar
Sitznennweite: 8.0 mm
Medium: Gasförmiger Wasserstoff
KV-Wert: 1.0 m³/h
Gewicht: 2.1 kg
Temperaturbereich: Medium (-45°C bis +80°C), Umgebung (-20°C bis +60°C)
Ventilgehäuse: Edelstahl 1.4404
Metallische Innenteile: Edelstahl 1.4404
Dichtung: EPDM
Antrieb: Edelstahl 1.4404
Pilotanschluss: –
Steuerdruck (AIR): –
Druckgerät (PED): Type Approval by TÜV
Ex-Schutz (ATEX): –
Zolltarifnummer: 84818059
H2 Series HV-2W-1200
2-Wege Handabsperrventil
3/212-B5-1300-TT-TÜV
Artikelnummer: H2S-HV2W-1200
Technische Daten
Steuerungsart: Handbetätigt
Konstruktion: Kolben Sitzventil
Anschluss (IN/OUT): Innengewinde; 9/16-18 UNF (Standard); 7/16-20 UNF, 13/16-16 UNF (Option)
Einbaulage: aufrecht oder waagerecht
Druckbereich: 0 – 1.200 bar
Sitznennweite: 8.0 mm
Medium: Gasförmiger Wasserstoff
KV-Wert: 1.0 m³/h
Gewicht: 1.5 kg
Temperaturbereich: Medium (-45°C bis +80°C), Umgebung (-20°C bis +60°C)
Ventilgehäuse: Edelstahl 1.4404
Metallische Innenteile: Edelstahl 1.4404
Dichtung: UHMW-PE / PU
Antrieb: Edelstahl 1.4404
Pilotanschluss: –
Steuerdruck (AIR): –
Druckgerät (PED): Type Approval by TÜV
Ex-Schutz (ATEX): –
Zubehör für
H2 Series® Produkte
H2 Series CO-90-HO-PUR-6
Winkel-Steckanschluss G 1/8"- 6mm (Standard)
Artikelbeschreibung
Artikelnummer: H2S-APIF1.8-6S
Werkstoffe:
Körper und Lösering: Messing vernickelt, Dichtungen: NBR (Hochtemperaturausführung: FKM), Haltekrallen: Edelstahl (bei der Montage werden ausschließlich silikonfreie Dichtungen und Schmierstoffe verwendet!)
Temperaturbereich:
-20°C bis max. +80°C (Hochtemperaturausführung: -20°C bis max. +150°C)
Betriebsdruck:
-0,98 bis 16 bar
Medien:
geölte und ungeölte Druckluft, neutrale und ungefährliche Gase
Vorteile:
- große Produktvielfalt,
- stabile Bauform durch Ganzmetallausführung,
- auch Gewinde M 7, M 8x1, M 10x1 und M 12x1,5 verfügbar,
- zylindrische Einschraubgewinde durch gekammerten O-Ring abgedichtet
Eigenschaften
Ausführung: Standard
G: G 1/4"
D (mm): 6
Temperaturbereich (°C): -20 bis + 80
Gewicht: 22 g / Stück
Zollwarennummer: 74122000
RoHS konform: ja
H2 Series CO-00-HO-PUR-6
Gerader Steckanschluss G 1/8"- 6mm (Standard)
Artikelbeschreibung
Artikelnummer: H2S-SPIF1.8-6S
Werkstoffe:
Körper und Lösering: Messing vernickelt, Dichtungen: NBR (Hochtemperaturausführung: FKM), Haltekrallen: Edelstahl (bei der Montage werden ausschließlich silikonfreie Dichtungen und Schmierstoffe verwendet!)
Temperaturbereich:
-20°C bis max. +80°C (Hochtemperaturausführung: -20°C bis max. +150°C)
Betriebsdruck:
-0,98 bis 16 bar
Medien:
geölte und ungeölte Druckluft, neutrale und ungefährliche Gase
Vorteile:
- große Produktvielfalt,
- stabile Bauform durch Ganzmetallausführung,
- auch Gewinde M 7, M 8x1, M 10x1 und M 12x1,5 verfügbar,
- zylindrische Einschraubgewinde durch gekammerten O-Ring abgedichtet
Eigenschaften
Ausführung: Standard
G: G 1/8"
D (mm): 6
P (mm): 13,5
Temperaturbereich (°C): -20 bis + 80
Gewicht: 12 g / Stück
Zollwarennummer: 74122000
RoHS konform: ja
H2 Series SL-WM-HO-18
Schalldämpfer G 1/8", Drahtgewebe, Messing vernickelt
Artikelbeschreibung
Artikelnummer: H2S-SL-WM1.8
Werkstoffe:
Drahtgewebe: 1.4301
Optional:
NPT-Gewinde - NPT
Eigenschaften
Werkstoff Körper: Messing
G: G 1/8"
SW (mm): 13
L (mm): 9
Gewicht: 6 g / Stück
Zollwarennummer: 84879090
RoHS konform: ja
H2 Series HO-ANTISTAT-PUR-6
Polyurethan-Schlauch 6 x 3,9 mm ASS, antistatisch
Artikelbeschreibung
Artikelnummer: H2S-HO-AS6
Diese elektrisch leitenden Schläuche sind für alle Anwendungen konzipiert, bei denen statische Aufladung verhindert werden muss. Er wird daher z. B. bei der Fertigung elektronischer Bauteile, in der Beschichtungsindustrie, in explosionsgeschützten Bereichen, im Bergbau oder bei der Teileförderung als Pneumatik-, Förder- und als Versorgungsschlauch (z. B. zur Kühlung) verwendet.
Vorteile:
- hohe antistatische Auslegung mit einem Oberflächenwiderstand <= 1 MOhm,
- hohe Druckbeständigkeit,
- beste mechanische Eigenschaften,
- passend für alle gängigen Steckverbindungen,
- beständig gegen Wasser und wässrige Lösungen (hydrolyse- und mikrobenbeständig),
- sehr enge Biegeradien möglich,
- schleppkettentauglich,
- sehr gute UV-Beständigkeit,
- für Vakuumanwendungen geeignet
Werkstoffe:
Polyether-Polyurethan (hydrolyse- und mikrobenbeständig)
Temperaturbereich:
-30°C bis +80°C
Farbe:
schwarz
Rollenlänge:
50 Meter
Eigenschaften
Schlauchdurchmesser, außen x innen (mm): 6 x 3,9
min. Biegeradius (mm): 15
Betriebsdruck (bar): 14
Gewicht: 20 g / Meter
Verpackungseinheit: 50 m
Zollwarennummer: 39173200
RoHS konform: ja
andere
Produkte
H2 Series CO-90-HO-PUR-10
Winkel-Steckanschluss G 1/4"- 10mm (Standard)
Artikelbeschreibung
Artikelnummer: H2S-APIF1.4-10S
Werkstoffe:
Körper und Lösering: Messing vernickelt, Dichtungen: NBR (Hochtemperaturausführung: FKM), Haltekrallen: Edelstahl (bei der Montage werden ausschließlich silikonfreie Dichtungen und Schmierstoffe verwendet!)
Temperaturbereich:
-20°C bis max. +80°C (Hochtemperaturausführung: -20°C bis max. +150°C)
Betriebsdruck:
-0,98 bis 16 bar
Medien:
geölte und ungeölte Druckluft, neutrale und ungefährliche Gase
Vorteile:
- große Produktvielfalt,
- stabile Bauform durch Ganzmetallausführung,
- auch Gewinde M 7, M 8x1, M 10x1 und M 12x1,5 verfügbar,
- zylindrische Einschraubgewinde durch gekammerten O-Ring abgedichtet
Eigenschaften
Ausführung: Standard
G: G 1/4"
D (mm): 10
Temperaturbereich (°C): -20 bis + 80
Gewicht: 36 g / Stück
Zollwarennummer: 74122000
RoHS konform: ja
H2 Series CO-00-HO-PUR-10
Gerader Steckanschluss G 1/4"- 10 mm (Standard)
Artikelbeschreibung
Artikelnummer: H2S-SPIF1.4-10S
Werkstoffe:
Körper und Lösering: Messing vernickelt, Dichtungen: NBR (Hochtemperaturausführung: FKM), Haltekrallen: Edelstahl (bei der Montage werden ausschließlich silikonfreie Dichtungen und Schmierstoffe verwendet!)
Temperaturbereich:
-20°C bis max. +80°C (Hochtemperaturausführung: -20°C bis max. +150°C)
Betriebsdruck:
-0,98 bis 16 bar
Medien:
geölte und ungeölte Druckluft, neutrale und ungefährliche Gase
Vorteile:
- große Produktvielfalt,
- stabile Bauform durch Ganzmetallausführung,
- auch Gewinde M 7, M 8x1, M 10x1 und M 12x1,5 verfügbar,
- zylindrische Einschraubgewinde durch gekammerten O-Ring abgedichtet
Eigenschaften
Ausführung: Standard
G: G 1/4"
D (mm): 10
P (mm): 18,5
Temperaturbereich (°C): -20 bis + 80
Gewicht: 22 g / Stück
Zollwarennummer: 74122000
RoHS konform: ja
H2 Series SL-WM-HO-14
Schalldämpfer G 1/4", Drahtgewebe, Messing vernickelt
Artikelbeschreibung
Artikelnummer: H2S-SL-WM1.4
Werkstoffe:
Drahtgewebe: 1.4301
Optional:
NPT-Gewinde - NPT
Eigenschaften
Werkstoff Körper: Messing
G: G 1/4"
SW (mm): 16
L (mm): 11
Gewicht: 11 g / Stück
Zollwarennummer: 84879090
RoHS konform: ja
H2 Series HO-ANTISTAT-PUR-10
Polyurethan-Schlauch 10 x 7,5 mm ASS, antistatisch
Artikelbeschreibung
Artikelnummer: H2S-HO-AS10
Diese elektrisch leitenden Schläuche sind für alle Anwendungen konzipiert, bei denen statische Aufladung verhindert werden muss. Er wird daher z. B. bei der Fertigung elektronischer Bauteile, in der Beschichtungsindustrie, in explosionsgeschützten Bereichen, im Bergbau oder bei der Teileförderung als Pneumatik-, Förder- und als Versorgungsschlauch (z. B. zur Kühlung) verwendet.
Vorteile:
- hohe antistatische Auslegung mit einem Oberflächenwiderstand <= 1 MOhm,
- hohe Druckbeständigkeit,
- beste mechanische Eigenschaften,
- passend für alle gängigen Steckverbindungen,
- beständig gegen Wasser und wässrige Lösungen (hydrolyse- und mikrobenbeständig),
- sehr enge Biegeradien möglich,
- schleppkettentauglich,
- sehr gute UV-Beständigkeit,
- für Vakuumanwendungen geeignet
Werkstoffe:
Polyether-Polyurethan (hydrolyse- und mikrobenbeständig)
Temperaturbereich:
-30°C bis +80°C
Farbe:
schwarz
Rollenlänge:
50 Meter
Eigenschaften
Schlauchdurchmesser, außen x innen (mm): 10 x 7,5
min. Biegeradius (mm): 35
Betriebsdruck (bar): 9
Gewicht: 43 g / Meter
Verpackungseinheit: 50 m
Zollwarennummer: 39173200
RoHS konform: ja
H2 Series PI
Rohrfedermanometer, Güteklasse 1.0
Artikelbeschreibung
Artikelnummer: H2S-PI-100
Die Rohrfedermanometer der Reihe PI können als Edelstahlausführung, gefüllt oder ungefüllt geliefert werden. Ein zu einer Spirale geformtes, gezogenes Messing- oder Edelstahlrohr ist mit dem
Medium gefüllt und verformt sich druckabhängig. Diese Bewegung wird
über ein Zeigermesswerk zur Anzeige gebracht, welches mittels der
optional erhältlichen Glyzerinfüllung gedämpft werden kann, so dass
Vibrationen oder Schwingungen nur in stark abgemilderter Form zur
Geltung kommen. Auch der Verschleiß der beweglichen Teile wird durch
die natürliche Schmierung des Glyzerins reduziert, und das Eindringen
korrosiver Gase, sowie die Bildung von Kondenswasser verhindert. Die
Ausführung in Edelstahl erlaubt die Druckmessung selbst in aggressivsten
Flüssigkeiten und Gasen. Die Manometer sind wahlweise mit
einem Gewindeanschluss unten oder exzentrisch hinten ausgestattet.
Eigenschaften
Güteklasse: 1.0
Anzeigebereich: 0...2.500 bar
Gehäuse: Edelstahlgehäuse
Messwerk: Messing oder VA
Füllung: gefüllt oder ungefüllt
Zollwarennummer: 90262040
RoHS konform: ja
H2 Series PIPT
Rohrfedermanometer mit integriertem Druckmessumformer, Güteklasse 1.0
Artikelbeschreibung
Artikelnummer: H2S-PIPT-100
Zwei parallele Systeme messen bei den Geräten der Typenreihe PIPT den am Prozessanschluss anstehenden Druck unabhängig voneinander. Das erste, ein Rohrfedermanometer in bewährter Edelstahltechnik, dient zur gut leserlichen Anzeige des Messwertes vor Ort. Bei hochfrequenten Druckänderungen wird eine optional erhältliche Füllung des Gerätes mit Glyzerin empfohlen, da diese das auftretende Zittern des Zeigers dämpft. Parallel dient ein im Gehäuse des Manometers integrierter Druckmessumformer mit seinem 4. . .20 mA Zweileiterausgang als Fernwertgeber und ermöglicht somit das Verarbeiten des Messwertes in Steuerungen oder weiteren Anzeigeeinheiten.
Eigenschaften
System: mechanisch und elektronisch
Güteklasse: 1.0
Anzeigebereich: 0...600 bar
Gehäuse: Edelstahl
Messwerk: Messing oder VA
Zollwarennummer: 90262080
RoHS konform: ja
Ausführung: EX
H2 Series® Produkte und Zubehör
Ihre Anfrage
Sie sind interessiert an den H2 Series Produkten und Zubehör von SENSORLOGY®? Dann schicken Sie uns Ihre Anfrage. Füllen Sie dazu bitte das nachfolgende Formular aus.


